
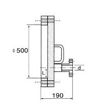
清掃孔(QSK型) Cleaning hole

清掃孔裝于重質油罐底部、清掃孔油罐可放出污水掃除內污泥。
Cleanout hole series can be set at the cornet from the bottom tank shell course to the bottom of the heavy oil storage tank for cleaning and draining during maintenance.
蒸汽消聲器,以避免蒸氣和液體的振動和噪音
2016-08-02浮動出油裝置意味著好油的質量檢查
2016-06-29磁性浮子液位計和分析工業熱電偶安裝注意事項的特點
2016-08-02風機消音器達到良好的消音效果
2017-03-23快速接頭全面了解
2016-06-09日常維護檢查磁性浮子液位計非常重要
2016-08-02排氣消聲器創造理想的環境,安裝說明要知道
2017-03-23閑聊消聲器微穿孔消聲器
2016-05-31如何判斷好壞消聲裝置
2016-05-31